Ο ανεξάρτητος διακόπτης ταξιδιού ορίου διπλής πόλης είναι ένα αυτόματο στοιχείο ελέγχου που ενεργοποιείται από μηχανική κίνηση. Η βασική του λειτουργία είναι η ανίχνευση της μετατόπισης ή του εγκεφαλικού επεισοδίου ενός αντικειμένου για να επιτευχθεί το άνοιγμα και το κλείσιμο των κυκλωμάτων, η έναρξη και η διακοπή του εξοπλισμού ή ο περιορισμός της προστασίας. Πρόκειται για έναν απαραίτητο «Search Sentinel» και «Διοικητή Δράσης» στον βιομηχανικό αυτοματισμό και τον ηλεκτρομηχανικό εξοπλισμό.
Διακόπτης Εισάγωγουρούνι
Ο διακόπτης ταξιδιού (επίσης γνωστός ως διακόπτης ορίου) είναι ένα αυτόματο στοιχείο ελέγχου που ενεργοποιείται από μηχανική κίνηση. Η βασική του λειτουργία είναι η ανίχνευση της μετατόπισης ή του εγκεφαλικού επεισοδίου ενός αντικειμένου για να επιτευχθεί το άνοιγμα και το κλείσιμο των κυκλωμάτων, η έναρξη και η διακοπή του εξοπλισμού ή ο περιορισμός της προστασίας. Πρόκειται για έναν απαραίτητο «Search Sentinel» και «Διοικητή Δράσης» στον βιομηχανικό αυτοματισμό και τον ηλεκτρομηχανικό εξοπλισμό.
Διακόπτης Εφαρμογήδιάθεση
Εφαρμογή σε οικιακές συσκευές και έξυπνο σπίτι:
Πλυντήριο:Ένας διακόπτης ορίου είναι εγκατεστημένος στην πόρτα ενός πλυντηρίου μπροστινής φόρτωσης. Η συσκευή θα ξεκινήσει μόνο όταν η πόρτα είναι εντελώς κλειστή και ο διακόπτης ενεργοποιεί το κύκλωμα, το οποίο εμποδίζει τη διαρροή νερού ή τα ρούχα από την εκτόξευση κατά τη διάρκεια της λειτουργίας.
Ψυγείο/φούρνος:Όταν η πόρτα του ψυγείου είναι κλειστή, ο διακόπτης ενεργοποιείται για να απενεργοποιήσει το εσωτερικό φως. Αντίθετα, εάν μια πόρτα του φούρνου δεν είναι ασφαλώς κλειστή, ο διακόπτης θα κόψει την ισχύ στα στοιχεία θέρμανσης για να αποφευχθεί η διαρροή θερμότητας.
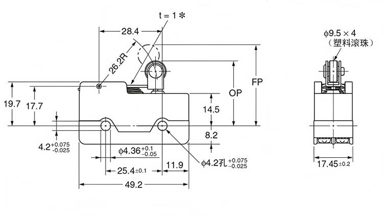
Διακόπτης Καθέκαστα
