Ο μικρο-διακόπτης οριοθετημένης πίεσης αυτο-ενίσχυσης, ως στοιχείο ελέγχου που ενεργοποιείται από μηχανική μετατόπιση, διαδραματίζει βασικό ρόλο στον επαρκή έλεγχο των ορίων κίνησης του εξοπλισμού, την επίτευξη αυτοματοποιημένης στάσης εκκίνησης ή προστασίας της ασφάλειας και εφαρμόζεται ευρέως σε διάφορους τομείς όπως η βιομηχανία, οι οικιακές συσκευές και οι μεταφορές.
Διακόπτης Εισάγωγουρούνι
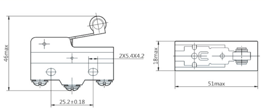
The travel limit switch is triggered mechanically, and the action of the contacts is used for control: when the moving parts of the equipment move to a preset position and touch the triggering mechanism of the switch (such as a roller or lever), it drives the internal mechanical structure to interact, causing the normally open/normally closed contacts of the switch to switch between on and off, thereby cutting off or connecting the control circuit to realize the start and stop of the equipment, limit protection, or μετατόπιση της διαδικασίας.
Διακόπτης Εφαρμογήδιάθεση
Σε εξοπλισμό όπως τόρνια, μηχανήματα φρεζαρίσματος και κέντρα κατεργασίας, οι διακόπτες περιορισμού είναι συνήθως εγκατεστημένοι και στα δύο άκρα της σιδηροτροχιάς ή στις ακραίες θέσεις του συρόμενου πίνακα. Για παράδειγμα, στο συγκρατητήρα εργαλείου που μετακινείται ένα τόρνο CNC, όταν ο κάτοχος του εργαλείου προσεγγίζει το τέλος της διαδρομής, ο διακόπτης ενεργοποιείται για να κόψει την ισχύ του κινητήρα, εμποδίζοντας τον κάτοχο του εργαλείου να υπερβαίνει το ταξίδι του και να συγκρουστεί με το σώμα του μηχανήματος. Ομοίως, όταν ο πίνακας εργασίας της μηχανής άλεσης μετακινείται πλάγια ή εμπρός και πίσω, ο διακόπτης ελέγχει με ακρίβεια τα όρια κίνησης, αποτρέποντας την παρεμβολή μεταξύ του τεμαχίου και των εξαρτημάτων του μηχανήματος, προστατεύοντας έτσι το εργαλείο κοπής και εξασφαλίζοντας την ακρίβεια κατεργασίας.
Διακόπτης Καθέκαστα
